
Der STM8S103F3P6 ist ein 8-Bit-Mikrocontroller, das von STMICROELECTRONICS hergestellt wird und für seine beeindruckende Funktionalität und nahtlose Integration bekannt ist.Dieses kompakte Gerät ist mit einem Oberflächengerät (SMD) -Montierungsstil ausgestattet und verkörpert einen fortschrittlichen Kern und Peripheriegeräte, die mit der modernen Technologie akribisch hergestellt werden.Mit einer Taktfrequenz von 16 MHz verfügt der STM8S103F3P6 über eine robuste E/A -Fähigkeit, um eine effiziente Datenverarbeitung und -bearbeitung sicherzustellen.Der unabhängige Wachhund -Timer, ausgestattet mit einem unabhängigen Takt -Quell- und Uhrensicherheitssystem, garantiert eine optimale Leistung der Geräte und die Widerstandsfähigkeit gegen mögliche Störungen.
Eine seiner herausragenden Funktionen ist der Flash-Speicher, der nichtflüchtigen Speicher für Code und Daten bietet.Mit einem Betriebsspannungsbereich von 2,95 V bis 5,5 V ist dieser Mikrocontroller sehr vielseitig und an verschiedene Anwendungen anpassbar.Darüber hinaus bietet es einen breiten Betriebstemperaturbereich von -40 ° C bis 85 ° C, wodurch es für den Einsatz bei verschiedenen Umgebungsbedingungen geeignet ist.
• MSP430G2353
• PIC16LF18444T
• STM8S103F3P3
• STM8S103F3P3TR
• STM8S103F3P6TR


Niedriger Stromverbrauch: Es verfügt über eine Vielzahl von Stromverbrauchsmodi mit geringer Stromverbrauch, einschließlich Leerlaufmodus, Schlafmodus, Tiefschlafmodus und Off -Modus, die die Akkulaufzeit effektiv verlängern und Energie sparen können.
Hohe Leistung: Es wird eine Hochleistungs-STM8-Kernarchitektur angewendet, wodurch die Betriebsfrequenz bis zu 16 MHz liegt, was die Anweisungsausführungsgeschwindigkeit erheblich verbessert und effizientere Computerfunktionen für unsere Anwendungen bietet.
Mehrere Kommunikationsschnittstellen: Es unterstützt eine Vielzahl von Kommunikationsschnittstellen, einschließlich SPI (serielle periphere Schnittstelle), I2C und UART.Über diese Schnittstellen kann es leicht kommunizieren und mit externen Geräten interagieren, um mehr Funktionen und Anwendungen zu erzielen.
Häufige Peripheriegeräte: Der STM8S103F3P6 -Mikrocontroller verfügt über reichlich periphere Ressourcen, einschließlich 16 KB Flash -Speicher und 1 KB RAM -Speicher sowie häufig verwendete Schnittstellen wie GPIO -Stifte, Timer und UART.Die Vielfalt dieser Peripheriegeräte macht das Gerät für verschiedene Anwendungsszenarien geeignet und kann den Anforderungen verschiedener Bereiche und Branchen entsprechen.Egal, ob es sich um industrielle Kontrolle, Smart Home oder eingebettete Systeme handelt, STM8S103F3P6 kann Unterstützung bieten.

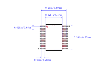
Der STM8S103F3P6 ist in einem dünnen Schrumpfverrückungsverkehrspaket (TSSOP) verpackt und verfügt über 20 Pins.Der Körper und der Bleiabstand sind kleiner als Standard -SOIC -Pakete.Ein typisches Merkmal von TSSOP ist die Bildung von Stiften um den verpackten Chip, wodurch es für die Montage der Verkabelung auf PCBs mithilfe der SMT -Technologie geeignet ist.Bei der Verwendung von TSSOP-Paket sind die parasitären Parameter (Ausgangsspannungsstörung, die durch große Änderungen des Stroms verursacht) kleiner, daher für hochfrequente Anwendungen geeignet.Diese Art von Paket ist bequemer zu betreiben und hat eine höhere Zuverlässigkeit.
Das TSSOP -Paket hat die folgenden Funktionen:
• kleiner Stiftabstand: Der Stiftabstand beträgt im Allgemeinen 0,5 mm oder 0,65 mm.Durch das Design von Leiterplattenkupferstangen können mehr Geräte auf der Leiterplatte mit gleichem Bereich und gleicher Größe platziert werden.
• Großer Anwendungsbereich: Es kann auf verschiedene Anwendungsfelder wie Mikrocontroller, DSPs, Speicherchips und Stromversorgungschips angewendet werden.
• Hohe Stiftzahl: Die Anzahl der Stifte liegt im Allgemeinen etwa 20 bis 64, was bestimmte Anforderungen an die Chipintegration erfüllen kann.
• Kleine Packungsgröße: Im Vergleich zu gewöhnlichen kleinen Umrisspaketen (SO) -Paketen ist die Packungsgröße kleiner, die Dicke dünner und das Volumen ist kleiner, wodurch sie für die Verpackung von integrierten Schaltungen mit hoher Dichte geeignet ist.
• Hohe Leistung: Es wird die Oberflächenmontage -Technologie angewendet, hat eine gute Leitfähigkeit und Korrosionsbeständigkeit und kann besondere Anforderungen wie hohe Geschwindigkeit, Hochfrequenz, Miniaturisierung usw. erfüllen.
Sofern nicht anders angegeben, werden alle Spannungen auf VSS verwiesen.
Die minimalen und maximalen Werte werden unter den unerwünschten Bedingungen garantiert, was die Umgebungstemperatur, die Versorgungsspannung und die Frequenzen umfasst.Diese Garantien werden durch strenge Produktionstests festgelegt, die an 100% der Geräte durchgeführt werden und bei einer Umgebungstemperatur von TA = 25 ° C und TA = TAMAX (wie durch den gewählten Temperaturbereich definiert) durchgeführt werden.
Werte basierend auf Charakterisierungsergebnissen, Designsimulationen und/oder technologischen Merkmalen werden in den Tabellenfußnoten beschrieben und haben keine Produktionstests durchgeführt.In Bezug auf die Charakterisierung beziehen sich die minimalen und maximalen Werte auf Stichprobenbewertungen und bedeuten den Mittelwert mit einem Bereich von plus oder minus dreifachen der Standardabweichung (Mittelwert ± 3σ).
Sofern nicht ausdrücklich anders angegeben, werden Standarddaten mit TA = 25 ° C festgelegt, VDD = 5 V. Diese Werte werden ausschließlich als Konstruktionsreferenzen bereitgestellt und haben keine Tests durchgeführt.
Die typische Genauigkeit der ADC -Werte wird durch die Charakterisierung eines Satzes von Proben aus einem Standarddiffusionsgrundstück über den gesamten Temperaturbereich festgelegt.In diesem Zusammenhang weisen 95% der Geräte einen Fehler innerhalb des angegebenen Wertes auf (Mittelwert ± 2σ).
Sofern nicht ausdrücklich angegeben, sind alle Standarddiagramme ausschließlich als Designreferenzen gedacht und wurden nicht getestet.
Das Überschreiten der angegebenen absoluten maximalen Bewertungen kann zu dauerhaften Beschädigungen des Geräts führen.Diese Bewertungen zeigen ausschließlich die Spannungsgrenzen, die das Gerät ertragen kann, und es wird nicht impliziert, dass das Gerät unter diesen Bedingungen ordnungsgemäß funktioniert.Die Exposition gegenüber Bedingungen bei oder in der Nähe der maximalen Bewertungen kann die Zuverlässigkeit des Geräts nachteilig beeinflussen.
Das Missionsprofil des Geräts, in dem seine Anwendungsbedingungen beschrieben werden, hält der JEDEC JESD47 -Qualifikationsstandard mit erweiterten Missionsprofilen auf Anfrage zur Verfügung.
Um eine Stabilität für den primären Regler zu erreichen, sollte ein externer Kondensator, der mit einem Cext gekennzeichnet ist, an den VCAP -Pin angeschlossen werden.Es ist wichtig sicherzustellen, dass die Serieninduktivität unter 15 NH bleibt.
Der aktuelle Verbrauch wird wie im folgenden Bild dargestellt.

Gesamtverbrauchsstromverbrauch im Laufmodus
Die MCU wird unter die folgenden Bedingungen gestellt:
• Alle Peripheriegeräte sind deaktiviert (Uhr wird durch periphere Uhr -Gating -Register gestoppt), außer wenn sie ausdrücklich erwähnt werden.
• Alle E/A -Stifte im Eingangsmodus mit einem statischen Wert bei VDD oder VSS (keine Last)
Vorbehaltlich allgemeiner Betriebsbedingungen für VDD und TA.

STM8S103F3P6 hat 20 Pins, seine Pin -Namen und -Funktionen sind wie folgt:
Pin1 (PD4/ Beep/ Tim2_ CH1/ UART1 _CK): Port D4
Pin2 (PD5/ AIN5/ UART1 _TX): Port D5
Pin3 (PD6/ AIN6/ UART1 _RX): Port D6
Pin4 (NRST): Zurücksetzen
Pin5 (PA1/OSCIN): Port A1
Pin6 (PA2/Oscout): Port A2
Pin7 (VSS): Digitaler Boden
Pin8 (VCAP): 1,8 V -Reglerkondensator
Pin9 (VDD): Digitales Stromversorgung
Pin10 (PA3/ Tim2_ CH3 [SPI_ NSS]): Port A3
Pin11 (PB5/ I2C_ SDA [Tim1_ Bkin]): Port B5
Pin12 (PB4/ I2C_ SCL): Port B4
Pin13 (PC3/ Tim1_ch3 [TLI] [Tim1_ Ch1n]): Port C3
Pin14 (PC4/ CLK_CCO/ TIM1_ CH4/ AIN2/ [Tim1_ CH2N]): Port C4
Pin15 (PC5/ SPI_SCK [Tim2_ Ch1]): Port C5
Pin16 (PC6/ SPI_MOSI [Tim1_ Ch1]): Port C6
Pin17 (PC7/ SPI_MISO [TIM1_ CH2]): Port C7
Pin18 (PD1/ Swim): Port D1
Pin19 (PD2/ AIN3/ [TIM2_ CH3]): Port D2
Pin20 (PD3/ AIN4/ Tim2_ CH2/ ADC_ ETR): Port D3
Wie in der obigen Abbildung gezeigt, hat der STM8S103F3P6 -Chip bis zu 16 E/A -Stifte, die für eine Vielzahl von Zwecken verwendet werden können, wie z.Wird als Eingangspins zum Lesen externer Signale oder als Ausgangsstifte verwendet, um Signale an externe Geräte zu senden.Zusätzlich kann jedem E/A -Pin unabhängig voneinander einen Interrupt -Vektor zugewiesen werden, um eine genaue Verarbeitung von Interrupts zu erleichtern, wenn sie auftreten.
• Automatisierungssysteme: Dieser Mikrocontroller kann in Automatisierungssystemen wie elektrischen Vorhängen, Zugangskontrollsystemen, Temperatursteuerung und Beleuchtungssteuerung verwendet werden.
• IoT (Internet of Things) Anwendung: Wenn wir IoT -Geräte entwickeln müssen, kann es als Controller für IoT -Knoten verwendet werden, um verschiedene Sensoren und Kommunikationsmodule zu verbinden und zu steuern.
• Persönliche elektronische Geräte: Wird in Digitalkameras, MP3- und MP4 -Spielern, elektronischen Spielkonsolen usw. verwendet.
• Elektronische Geräte: Wird zur Entwicklung verschiedener elektronischer Geräte verwendet
, wie elektronisches Spielzeug, Fernbedienungen, Mini -Taschenrechner usw.
• Industriegebiet: Wird in SPS, Industriecontrollern, Prozessautomatisierung und Schiffsautomatiksteuerungsausrüstung usw. verwendet.
• Datenerfassung und Sensorschnittstelle: Wird verwendet, um Umgebungsbedingungen zu überwachen und Daten zu sammeln oder verschiedene Sensoren wie Lichtsensoren, Temperatursensoren und Luftfeuchtigkeitssensoren zu verbinden.
• Embedded Control System: Wird verwendet, um verschiedene eingebettete Steuerungssysteme wie Haushaltsgeräte, industrielle Geräte, Elektrowerkzeuge usw. zu entwerfen. Seine 8-Bit-Verarbeitungsleistung ist für viele einfache Steuerungsaufgaben ausreichend.
Der STM8S103F3P6 ist ein von STMICROELECTRONICS entwickelter Mikrocontroller -Chip.Es gehört zur STM8-Familie von 8-Bit-Mikrocontrollern und wird in verschiedenen eingebetteten Systemen und IoT-Anwendungen häufig verwendet.
STM8S103F3P6 Microcontroller-Einheit verfügt über 640-Bit-ROM, 10-Bit-5-Kanäle-ADC, 1 KB RAM und eine Programmspeichergröße von 8 KB.
Wir können den STM8S103F3P6 durch MSP430G2353, PIC16LF18444T, STM8S103F3P3, STM8S103F3P3TR oder STM8S103F3P6TR ersetzen.
Ja, der STM8S103F3P6 ist mit geringen Leistungsmerkmalen ausgelegt und kann in batteriebetriebenen oder geringen Stromversorgungsanwendungen verwendet werden, bei denen die Energieeffizienz von wesentlicher Bedeutung ist.
Einige wichtige Merkmale der STM8S103F3P6 umfassen GPIO-Stifte (Allzweck-Eingang/Ausgang), UART-Kommunikation (universeller asynchroner Empfänger/Sender), I2C-Kommunikation (Interintegrierte Schaltung), SPI (serielle periphere Schnittstelle) Kommunikation, Timer und mehr.
ÜBER UNS
Kundenzufriedenheit jedes Mal.Gegenseitiges Vertrauen und gemeinsame Interessen.
Technische Spezifikationen von Lithium -Münzzellen CR2354
2024-08-02
Umfassender Leitfaden für ATMEGA328-PU-Mikrocontroller
2024-08-02
Email: Info@ariat-tech.comHK TEL: +852 30501966HINZUFÜGEN: Rm 2703 27F Ho King Kommunikationszentrum 2-16,
Fa Yuen St. MongKok Kowloon, Hong Kong.